-
飞力环保2.2kw无堵塞潜水排污泵WQ
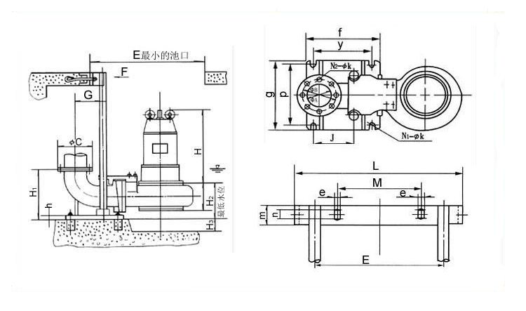
详细信息| 询价留言品牌:飞力环保 型号:WQ 材质:铸铁 性能:不阻塞 泵轴位置:边立式 叶轮吸入方式:单吸式 叶轮结构:大通道叶轮 叶轮数目:1 流量:15 m3/h 扬程:20 m 效率:47 许过最大粒径:25 mm 排出口径:50 mm 效率:47 许过最大粒径:25 mm 潜水排污泵说的通俗一点就是排放污水的水泵,有潜水排污泵、管道泵、自吸泵等,排污泵一般使用于企业单位废水排放,城市污水排放、工业废水排放、生活污水排放。主要有无堵塞、耐腐蚀,可以排放含有软质杂质的生活污水、工业废水等优点。
特点:- 排污泵采用独特的叶轮结构和机械密封,可以有效的输送含有固体物和长纤维。
- 叶轮与传统叶轮相比,潜水排污泵采用单流道或者双流道形式,类似于一截面大小相同的弯管,具有非常好的过流性,配以合理的蜗室,使得该泵具有效率高、叶轮经动静平衡试验,使得泵在运动中无振动。
- 排污泵的安装方式有固定式和移动式两种
- 采用独特的单叶片或双叶片叶轮结构,大大提高了污物通过能力,能有效的通过泵口径的5倍纤维物质与直径为泵口径约50%的固体颗粒。
- 机械密封采用新型硬质耐腐的碳化钨材料,同时将密封改进为双端面密封,使其长期处于油室内运行,可使泵安全连续运行8000小时以上。
- 整体结构紧凑、体积小、噪声小、节能效果显著,检修方便,无需建泵房,潜入水中即可工作,大大减少工程造价。
- 该泵密封油室内设置有高精度抗干扰漏水检测传感器,及定子绕组内预埋了热敏元件,对水泵电机绝对保护,可根据用户需要配备全自动安全保护控制柜,对泵的漏水、漏电、过载及超温等进行绝对保护,提高了产品的安全性与可靠性。
- 安装前需检查该设备选型是否一致,使用条件是否符合要求
- 安装前需检查水池的水位是否满足安装要求
- 安装前检查电源电压
- 安装前仔细阅读说明书,检查设备接线是否正确,触头接触是否良好,螺母螺丝有无松动,启动装置是否灵活
- 安装前检查电机旋转方向,观察叶轮旋转方向是否与铭牌指示的方向是否一致,若不一致,需要交换三相中任意两相线的接线位置。
安装方式- 固定湿式安装:采用飞力双导轨自动耦合装置,水泵可沿双导轨自动滑到底座上的安装位置,并将出口连接密封好(详见自动耦合装置说明书)
- 固定干式安装:将水泵底部安装在一个支架上,连接好进水管即可运行,主要适用于单独的收集池和水箱的泵站,可节省空间和安装费用,对具有长轴泵的旧泵站进行改选的良好选择
- 移动式安装:支架支撑、支架不固定在基础上,接上出水软管即可工作,这种方式主要用于维修、施工临时排水(限4KW以下水泵)
-
-
产品搜索
联系方式
- 联系人:余经理
- 电 话:15851820478
- 手 机:15851820478
- 地 址:江苏省南京市六合区横梁街道新簧工业园三美路2号
- 网 址: https://njfl1014.cn.goepe.com/
http://www.fljbj.cn









